

|
|
咨询电话:025-84911195
|
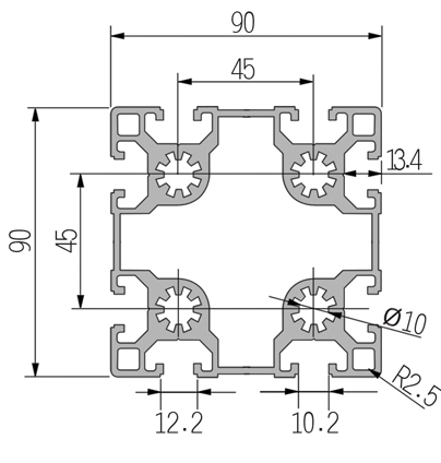
HN-10-9090 |
|
型材
Profile
|
90*90 |
10mm槽宽的工业铝型材系列
|
|
应用说明Application: |
10mm槽宽的工业铝型材系列广泛应用于大应力、高强度、支撑要求高的重载结构的框架组合。它通常采用M12X30高强度专用螺栓的内部连接,坚固可靠结实。
注:因模具磨损或更新可能会导致型材截面尺寸和线密度有允许范围内的误差。 |
|
技术数据: |
|
材料
Material
|
铝
Aluminum(6063-T5) |
|
单位质量
Weight
|
6.5kg/m |
|
长度
Length
|
6.02m ,可根据客户规定切割成各种规格。 |
|
集合惯性
Mass of Inertia
|
lx: 191.25cm4 ly: 191.25cm4 |
|
截面惯性
Section Modulus
|
Zx:42.50cm3 Zy: 42.50cm3 |
|
订货号
Order No.
|
HN-10-9090 |
|